時間:2015-01-10 來源: 點擊數:0
導讀:簡介:浙江浙能嘉興發電有限公司污泥干化處置項目是嘉興市聯合污水廠的配套利民工程,被嘉興市政府與嘉興發電廠列為2010年度重點工程。一期項目總投資3247萬元,主要處理嘉興市聯合污水廠的污泥,設計規模日處理污泥200噸。
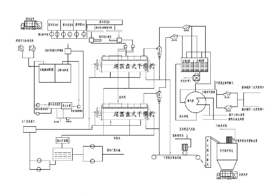
浙江浙能嘉興發電有限公司污泥干化處置項目是嘉興市聯合污水廠的配套利民工程,被嘉興市政府與嘉興發電廠列為2010年度重點工程。一期項目總投資3247萬元,主要處理嘉興市聯合污水廠的污泥,設計規模日處理污泥200噸。
一期工程選用天通吉成機器技術有限公司制造的SDK-370D圓盤式污泥干燥機2臺,建設兩條污泥干化生產線,單臺干化機日處理能力100噸,并預留有同等處理能力的兩條污泥干化線位置。
該項目工程由鄭州泰達節能干燥設備有限公司提供工程核心設備,浙江大學熱能工程研究所和浙江城建煤氣熱電設計院有限公司共同設計,浙江浙能天地環保有限公司施工。
一期工程于2010年9月12日開工建設,2010年12月29日首次聯調,2011年1月試運行。2011年6月26日投入正常運行。
污泥干化熱源來自嘉電公司發電機組的輔助蒸汽。干化后的污泥作為低質燃料運送至鍋爐燃燒,并利用其發熱量進行發電,污泥干化過程產生的廢氣則送至鍋爐加熱分解成無害氣體。工程減少了污泥對環境的污染。使污泥減量化,穩定化和無害化,實現節能減排和廢物回收利用。
本文地址:http://www.pgy8.com.cn/news/hangye/150110167.html,轉載請注明出處!
- 07-06 印染污泥烘干機都有哪些功能和作用
- 09-07 一般油泥與含油污泥的處置方法對比
- 02-08 泰達污泥脫水設備再次投產告捷
- 07-11 污泥流通費用高危險大 不如就地處理變資本
- 07-06 國外污泥干化技術進展
- 06-23 武漢蒸汽烘干機成功發貨
- 09-04 泰達污泥烘干機飲譽國內外
- 02-08 土壤修復理想如期實現 需排污企業與環保企業共
- 07-17 國產污泥處理設備
- 07-17 泰達污泥處置設備好!
